logo
socket
cat
socket

Transformer Terminal Lugs
0 Subcategories | 4 Links

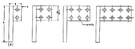
Transformer Adaptor Terminals
Cast Bronze Alloy Terminals
Professional rating

These Transformer Adaptor Terminals are cast of bronze alloy, and are Electro-Tin Plated to provide corrosion protection. They are designed to allow for the connection of multiple cables to standard eyebolt terminals of pole mounted transformer.

Manufacturer Name: Kenalloy Foundry Mfg. Co. (1)
Location: St Louis, MO, United States
Description: Non-ferrous Sand Castings
Link to Website: http://www.kenalloy.com/
    No Reviews Available
3130
CATEGORIES
34329
PRODUCT LINKS
8861
MANUFACTURERS